FÖLJ OSS:

Produkter
20A Combination Rotary Cam Switch 4kw med skal

20A Combination Rotary Cam Switch 4kw med skal

Med över 30 års branscherfarenhet har Yaming lanserat den pålitliga 20A Combination Rotary Cam Switch 4kW With Shell, designad för stabil och effektiv kretskontroll. Med hjälp av avancerade tillverkningsprocesser och ett rigoröst kvalitetssystem är denna switch i HZ5-serien lämplig för olika industriella scenarier, stöder anpassade konfigurationer och är ett pålitligt val för globala köpare.

Zhejiang Yaming Electric, med över 30 års branscherfarenhet, är en ledande och pålitlig leverantör inom området för elektriska växlar, med stark teknisk kapacitet och ett rigoröst kvalitetssystem. Som en professionell tillverkare med rötter i Kina, integrerar vi sofistikerade tillverkningsprocesser och avancerad teknik för att skapa högpresterande kontrollkomponenter för globala kunder. Den 20A kombinationsroterande kamomkopplaren 4kW med skal tillhandahåller stabila, effektiva och skräddarsydda styrlösningar för olika kretsapplikationer, som visar utmärkt prestanda och hög anpassningsförmåga i många industriella och elektriska scenarier.


Tekniska specifikationer


Denna 20A kombinationsroterande kamomkopplare 4kW med skal är lämplig för 50Hz AC-kretssystem. Tillhör HZ5-serien kan dess märkspänning nå upp till 380V AC och 240V DC, och dess märkström kan nå upp till 63A. Den specifika modellen är 20A 4kW med ett skyddande hölje.


Huvudapplikationer


Denna 20A kombinerade roterande kamomkopplare 4kW med skal är idealisk för manuella, tillfälliga kretskopplingsoperationer, vilket möjliggör kretskontroll och växlingsfunktioner. Den kan också direkt driva växelströmsmotorer med liten kapacitet, fungera som en huvudkontroll- och kretsmätningsenhet och stödja motorhastighetsreglering.


Produktegenskaper


Denna 20A kombinationsroterande kamomkopplare 4kW med skal är designad för 50Hz AC-kretsar och är kompatibel med vanliga industriella elnät. Den upprätthåller stabil prestanda under märkspänningar upp till 380V AC och 240V DC, och en märkström upp till 63A. Den stöder manuell, tillfällig kretskoppling, styrning och omvandling, och kan direkt driva AC-motorer med liten kapacitet, vilket möjliggör huvudstyrning, kretsmätning och hastighetsreglering. Omfattande anpassningslösningar finns också tillgängliga, med stolpnummer och hastighetsinställningar skräddarsydda efter kundens behov.


Produktapplikation



Tekniska parametrar



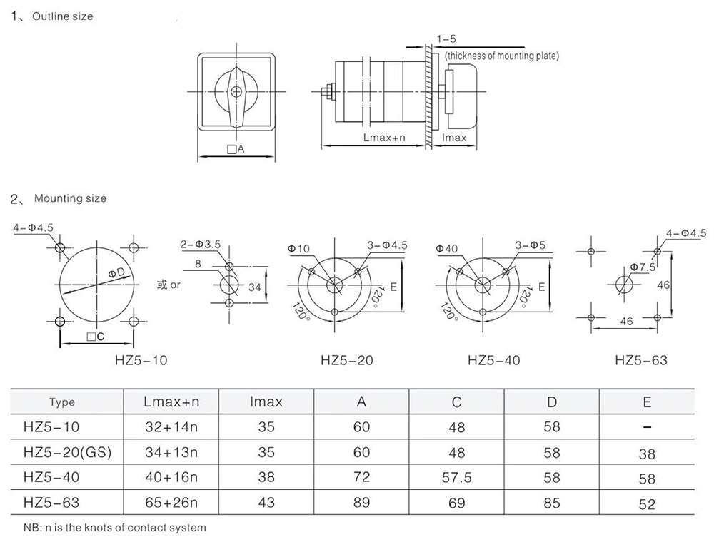
Produktkonturstorlek installationsstorlek


Varför välja Yaming?


Som en pålitlig leverantör med egna tillverkningsanläggningar säkerställer Yaming konsekvent kvalitet, leverans i tid och flexibel anpassning för varje beställning. Vår 20A kombinationsroterande kamomkopplare 4kW med skal kombinerar säkerhet, hållbarhet och mångsidighet för att möta de olika behoven hos moderna elektriska system.


Hot Tags: 20A Combination Rotary Cam Switch 4kw med Shell Kina, tillverkare, leverantör, fabrik
Skicka förfrågan
Kontaktinformation
Om du har några frågor om offert eller samarbete får du gärna maila eller använda följande förfrågningsformulär. Vår säljare kommer att kontakta dig inom 24 timmar.
X
Vi använder cookies för att ge dig en bättre webbupplevelse, analysera webbplatstrafik och anpassa innehåll. Genom att använda denna sida godkänner du vår användning av cookies. Sekretesspolicy
Avvisa Acceptera