FÖLJ OSS:

Produkter
20A Combination Rotary Cam Switch 4kw
  • 20A Combination Rotary Cam Switch 4kw20A Combination Rotary Cam Switch 4kw

20A Combination Rotary Cam Switch 4kw

Yaming, med över 30 års branscherfarenhet, lanserar 20A Combination Rotary Cam Switch 4kW, som tillhandahåller stabila, effektiva och anpassningsbara styrlösningar för olika kretsar. Som en professionell tillverkare med rötter i Kina förlitar vi oss på vår starka tekniska kapacitet och rigorösa kvalitetsledningssystem, med utgångspunkt från våra avancerade produktionsanläggningar, för att tillhandahålla pålitliga switchprodukter till industriella kunder över hela världen, och bli en pålitlig leverantör.

Zhejiang Yaming Electric har över 30 års yrkeserfarenhet inom elbranschen. Med sina starka tekniska kapacitet och rigorösa kvalitetsledningssystem har det blivit en pålitlig och ledande leverantör av elektriska strömbrytare. Vår solida företagsgrund ger globala partners stabil produktprestanda och pålitliga leveransgarantier.


Genom att integrera sofistikerade tillverkningsprocesser och avancerad teknik lanserar Yaming stolt 20A Combination Rotary Cam Switch 4kW. Denna minutiöst designade produkt kombinerar hållbarhet och driftsflexibilitet, och ger stabila, effektiva och skräddarsydda styrlösningar för olika kretsapplikationer.


Tekniska specifikationer


20A Combination Rotary Cam Switch 4kW tillhör HZ5-serien av kombinationsbrytare. Dess huvudsakliga tekniska specifikationer är följande: Tillämpliga kretsar är AC 50Hz; märkdriftsspänning: AC max 380V, DC max 240V; märkström: max 63A; märkeffekt: 4kW; märkström för denna modell är 20A.


Huvudapplikationer


Den 20A kombinationsroterande kamomkopplaren 4kW är lämplig för manuell, sällsynt kretskoppling och kontroll. Typiska applikationer inkluderar direktstyrning av växelströmsmotorer med liten kapacitet, användning som huvudstyr- och kretsmätningsanordning, motorhastighetsreglering och allmän kretsomkoppling och omvandling i olika elektrisk utrustning.


Produktegenskaper


Den 20A kombinationsroterande kamomkopplaren 4kW erbjuder stabil prestanda och ett brett utbud av applikationer, lämpliga för olika industriella och kommersiella scenarier. Den är kompatibel med globalt erkända spännings- och strömstandarder, vilket underlättar global användning. Den stöder manuell, sällsynt kretsanslutning och frånkoppling, vilket möjliggör direkt styrning av AC-motorer med liten kapacitet och multifunktionell styrning. Anpassningstjänster är också tillgängliga, med switchens räckvidd och polnummer helt anpassade för att möta specifika kundbehov.


Produktapplikation



Tekniska parametrar



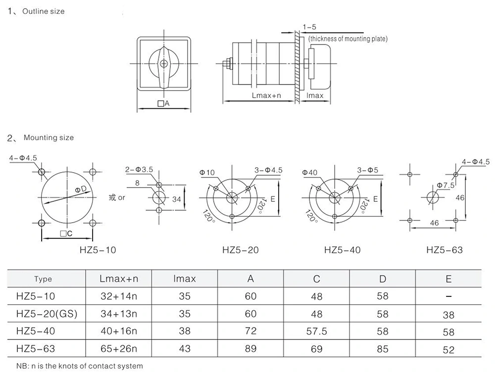
Produktkonturstorlek installationsstorlek


Hot Tags: 20A Combination Rotary Cam Switch 4kw Kina, tillverkare, leverantör, fabrik
Skicka förfrågan
Kontaktinformation
Om du har några frågor om offert eller samarbete får du gärna maila eller använda följande förfrågningsformulär. Vår säljare kommer att kontakta dig inom 24 timmar.
X
Vi använder cookies för att ge dig en bättre webbupplevelse, analysera webbplatstrafik och anpassa innehåll. Genom att använda denna sida godkänner du vår användning av cookies. Sekretesspolicy
Avvisa Acceptera